Купити високострумовий релейний BMS 300A 8S-32S Lifepo4 Li-ion LTO (JK-B2A32SRP) з активним балансуванням 2А з доставкою по Україні.
Високострумова релейна JK BMS плата на 300А для складання від 20В до 130В акумуляторів на базі для Lifepo4, Li-ion, LTO елементів з активним балансуванням 2А від провідного виробника SMART BMS JK ( JiKong ).
BMS (Battery Management System) JK B2A32SRP – це сучасна система управління батареями, яка призначена для забезпечення максимальної ефективності та безпеки літієвих акумуляторів. Для літієвих акумуляторів використання BMS плат з балансиром є обов’язковим. Без балансування осередки швидко вийдуть з ладу через перезаряд або недозаряд. У літієвих акумуляторах необхідно балансувати кожну комірку. Ця система забезпечує точний контроль усіх аспектів функціонування батарейного пакета, включаючи заряд, розряд, балансування та захист. Завдяки високому рівню інтеграції та можливості гнучкої настройки JK B2A32SRP ідеально підходить для широкого спектру застосувань таких як електротранспорт, наземні повітряні водяні дрони, сонячні енергетичні системи, портативні енергетичні рішення та інші системи зберігання енергії.
Як комутатор рекомендуємо використовувати контактор 500A 12-24V EV200AAANA Relay DC KILOVAC
Вся продукція компанії JiKong (BMS плати, LCD екрани, балансири) перевіряється та тестується на заводі виробника, тому Ви отримуєте гарантований робочий пристрій.
Cуперконденсаторна технологія активного балансування SMART BMS 300A 8S-32S JK-B2A32SRP:
Основний принцип роботи активного балансування SMART релейної BMS 300A 8S-32S JK-B2A32SRP полягає в тому, щоб використовувати суперконденсатор як тимчасовий носій енергії, для передачі енергію від комірки з найвищою напругою, в комірку з найнижчою напругою, до тих пір, поки напруги всіх комірок. Технологія активного балансування працює постійно незалежно від режиму заряду або розряду акумулятора (BMS з пасивним балансиром працюють тільки на останньому етапі заряду) .
Переваги SMART релейної BMS 8S-32S 300A JK-B2A32SRP з активним балансуванням 2А:
- Модульна конструкція – використання зовнішнього реле, шунта, резистора;
- Високі струми роботи 300А за рахунок використання зовнішнього реле заряду, розряду;
- Використання активного балансира працює постійно та дозволяє економити енергію;
- Можливість використання з різними типами акумуляторних осередків;
- Можливість зібрати 20В-130В акумулятори з різної кількості осередків 7S-32S;
- Наявність iOS та Andriod програми для керування платою та контролем стану акумулятора через Blutooth;
- Захисні функції: Включає захист від перенапруги, коротких замикань, перегріву, перезарядження та перерозрядження;
- Функція попереднього заряду (Discharge pre-charging function)
- Функція ACC: Плата підтримує функцію виявлення ACC (ACC detection function)
- Висока точність вимірів: Забезпечує точний вимір напруги, струму та температури для кожного елемента;
- Інтелектуальне балансування: Автоматичне вирівнювання напруги між елементом для забезпечення рівномірного заряду та продовження терміну служби акумуляторів;
- Гнучкість у налаштуванні: Підтримка різних інтерфейсів зв’язку, таких як CAN, UART та RS485 для інтеграції у різні системи;
- Підтримка підключення нагрівальних елементів для заряджання при низьких температурах
Основні характеристики плати BMS 300A 8S-32S (JK-B2A32SRP)
| Модель | JK-B2A32SRP |
| Кількість елементів для Li-ion | 7S~32S |
| Кількість елементів для Lifepo4 | 8S-32S |
| Кількість елементів для LTO | 14S-32S |
| Діапазон напруг | 20-130В |
| Тип балансиру | Активний балансир |
| Струм балансування | 2A |
| Інтерфейс керування реле заряду/розряду | 12В |
| Номінальний струм заряду (залежить від реле) | 300А |
| Номінальний струм розряду (залежить від реле) | 300А |
| Шкала напруги одного осередку | 1-5В |
| Точність напруги | ±3мВ |
| Зарезервований інтерфейс зумеру | 12 В |
| Управління підігрівом батарей | порт підігрівача |
| Кількість датчиків температури | 4 |
| Захист від короткого замикання | Так |
| Blutooth функція | Android та IOS додаток |
| Порти: | RS485 |
| CAN | |
| UART | |
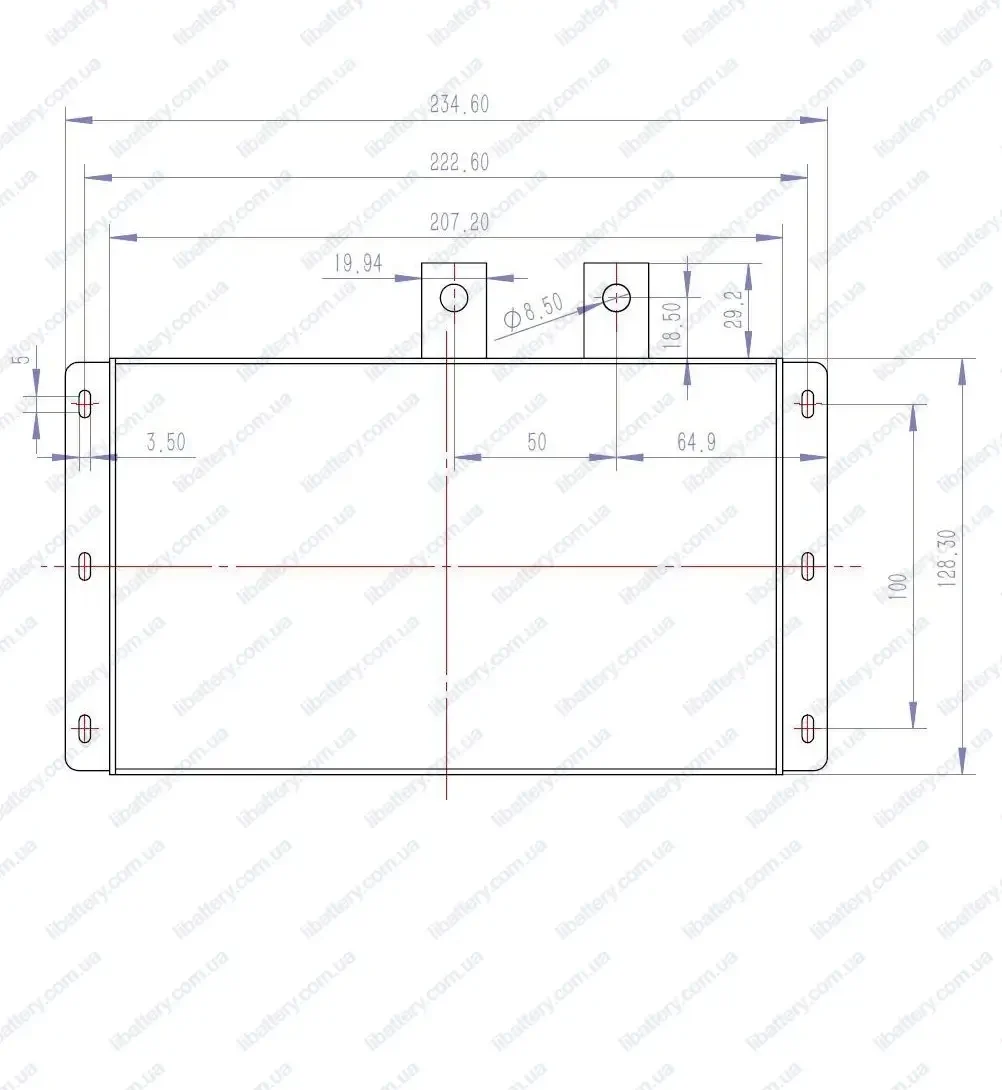
| Розмір | 234.6мм*157.5мм*30.5мм |
| Вага | 1280г |
| Діапазон робочих температур | -30 ° С ~ 70 ° С; |
| Потужність | 1,2 Вт при роботі (без урахування споживаної потужності реле) |
| ДОКУМЕНТАЦІЯ | JK-B2A32S-RP Active Balancing Protection Board Instruction Manual — V20.1 |
Шість видів захисту акумулятора в BMS 300A 8S-25S JK B2A32SRP з активним балансуванням 2А
- Захист від короткого замикання
- Захист від перезаряду (можливість налаштування граничної напруги)
- Захист від перерозряду (можливість налаштування граничної напруги)
- Захист струму (налаштування захисту від перевантаження великим струмом, параметр, що налаштовується)
- Захист від перегріву та контроль за низькою температурою з можливістю управління нагрівальним елементом
- Контроль підключення та обриву балансувального з’єднання
Комплектація плати BMS 300A 8S-32S (JK-B2A32SRP)
- JK-BMS B2A32SRP плата з вбудованим Bluetooth;
- Оригінальна JK BMS Кнопка металева водонепроникна зі світлодіодною індикацією (JiKong);
- Датчик температури 4шт;
- Шлейф живлення та балансування: проаод з роз’ємом (75 см) 2 шт;
- Шлейф управління реле, підігрівом, CAN, проаод з роз’ємом (75 см);
У базовий комплект поставки НЕ ВХОДИТЬ : РЕЛЕ, резистор попереднього розряду, нагрівальний елемент, кабельні наконечники, інструкція ( інструкція зі збирання та налаштування дивись нижче на цій сторінці).
ВАЖЛИВО! При неправильному підключенні BMS, некоректному налаштуванні програми, а також нетиповому використанні, BMS плата може вийти з ладу.
Гарантійні зобов’язання щодо заміни, ремонту та повернення не поширюються на деталі, комплектуючі, електронні блоки (балансири, BMS плати, LCD екрани, запобіжники, кабелі тощо). Здійснюючи покупку Ви погоджуєтесь з цими умовами.
Складання та налаштування BMS JK (Jikong)
Підключення BMS JK (Jikong) до елементів/осередків збирання акумулятора
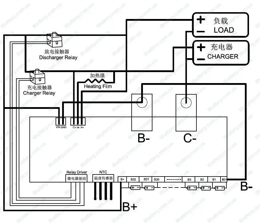
Схема підключення JK-BMS B2A32SRP зображена на малюнку нижче
Підключення балансувального шлейфу BMS JK (Jikong)
Балансувальний шлейф завжди має один чорний провід, який підключається до мінусової клеми крайнього «мінусового» осередку (на малюнку це крайній правий осередок). Далі по черзі кожен червоний провід (почин з боку чорного дроту, на малюнку з права на ліво) підключається до перемичок послідовно з’єднаних осередків. Підключення триває до плюсової клеми крайнього осередку (на малюнку це крайній лівий осередок). Зверніть увагу, до плюсової клеми крайньої «плюсової» комірки підключається також останній, крайній червоний провід шлейфу балансування (дивися на малюнку). За цим дротом здійснюється харчування BMS JK (Jikong) плати. Для довідки живлення BMS JK (Jikong) здійснюється по крайніх проводах шлейфу балансування, які повинні бути підліковані до клем крайніх осередків складання (як показано на малюнку). В B2A32SRP також необхідно запитати від батареї контакти окремого шлейфа G і V + (на шлейфі це VIN та GND) . Кількість проводів шлейфу, що використовуються, завжди буде на 2 більше ніж кількість осередків у складання. Наприклад, якщо збірка складається з 32-х осередків буде задіяно 34 проводів шлейфу. Якщо збирання з 8-х осередків буде задіяно 10 проводів шлейфу.
Метод перевірки правильності підключення балансувального шлейфу:
До підключення шлейфу до BMS JK (Jikong) за допомогою мультиметра перевірте:
- чи однакова напруга між двома сусідніми контактами на роз’ємі шлейфу.
- чорним щупом мультиметра торкаємося на контакт роз’єму чорного дроту шлейфу, червоним щупом мультиметра по черзі торкаємося контактів роз’єму шлейфу, і перевіряємо, чи напруга збільшується пропорційно на кожному кроці на напругу одного осередку, а на останньому контакті роз’єму відповідає загальному напруги. осередків).
Якщо перевірку за пунктами 1 і 2 пройдено успішно, значить балансувальний шлейф підключений до осередків правильно. Далі можна підключити шлейф до BMS та виконувати активацію/увімкнення.
Активація/ввімкнення BMS JK (Jikong)
Перед включенням/активацією BMS JK (Jikong) рекомендуємо переконатися, що балансувальний шлейф та силові дроти правильно підключені!
Активувати BMS JK (Jikong) можна кількома способами:
Активація зарядного пристрою
Активацію/вмикання БМС можна виконати з використанням неінтелектуального зарядного пристрою, напруга якого перевищуватиме напруга акумуляторної збірки на 4-5 В. У момент активації/вмикання BMS JK (Jikong) сигналізує двома короткими і одним довгим звуковими сигналами, а також на BMS JK (Jikong).
Активація через інтерфейс дисплея
Активацію/вмикання БМС може бути виконана через інтерфейс дисплея, підключивши до нього шлейф з проводом, кнопку або дисплей . Активація виконується замиканням двох лівих контактів інтерфейсу дисплея.
Увімкнення BMS: коротке замикання на 1-2 секунди; Вимкнення BMS: коротке замикання на 4-6 секунд.
Налаштування BMS JK (Jikong) через програму
За промовчанням пароль на вхід до програми 1234 , пароль для відкриття доступу до налаштувань 123456 .
Встановити програму завантаживши за посиланням або відсканувавши QR-коди на BMS JK (Jikong), вибравши пункт «Click to download ADD»
Програми керування та контролю BMS через Bluetooth
Програми керування та контролю Smart JK BMS через Bluetooth
Завантажити IOS програми управління та контролю Smart JK BMS через Bluetooth
Завантажити Andriod програми управління та контролю Smart JK BMS через Bluetooth
Робота з додатком BMS JK (Jikong)
Спочатку увімкніть Bluetooth мобільного телефону, а потім запустіть програму. Натисніть значок у верхньому лівому куті, щоб просканувати пристрій. Клацніть на ім’я знайденої BMS JK (Jikong). Програма запитає пароль під час першого підключення. Пароль стандартного пристрою — « 1234 ». Програма автоматично запам’ятає пароль після підключення до BMS JK (Jikong). Для наступного підключення вводити пароль не потрібно. За бажанням Ви можете змінити найменування БМС та пароль.
При першому запуску необхідно вказати основні значення налаштувань BMS JK (Jikong): тип осередків, кількість осередків у збірці, приблизну ємність. ВАЖЛИВО ПРАВИЛЬНО ВКАЗАТИ ТИП! Залежно від вибраного типу акумулятора будуть встановлені відповідні параметри BMS JK (Jikong) за замовчуванням.
Зміна налаштувань виконується на закладці налаштувань, як показано у відео. Для відкриття доступу до налаштувань необхідно ввести пароль ” 123456″
ПОДАЛЬШЕ НАЛАШТУВАННЯ BMS JK (Jikong) РЕКАМЕНДУЄМО ВИКОНАННЯ ПО ВІДЕО ІНСТРУКЦІЇ «Налаштування параметрів BMS JK (Jikong) для Lifepo4, Li-ion, LTO» дивись нижче
Огляд на youtube плат JK BMS (Jikong)
Про компанію JKBMS (Jikong)
Інженери компанії JK BMS, мають більш ніж 10-річний досвід роботи в галузі електроніки та розробки інноваційних і високоякісних BMS плати з активним балансуванням для li-ion, lifepo4, NMC, Ni-MH, Ni-Cd, свинцево-кислотні батареї і т.д. д. Оскільки в BMS від JK використовується технологія активного балансування, немає тепла, що виділяється, як у пасивних балансиров, тому немає необхідності використовувати радіатори для охолодження і при порівнянних характеристиках потрібно менше місця.









Відгуки
Відгуків немає, поки що.